KUKA KR 360
KUKA KR360. Uno dei robot più potenti nel mercato con una capacità di carica di 360kg,al di sopra di questo modello abbiamo il KUKA KR500 e il TITAN(1000kg). Disponibile in 3 versioni con una carica al polso che va da 360 a 240kg. Il controllo del Kr360 è il famoso Krc2 Ed05
CARATTERISTICHE KUKA KR C2 EDIZIONE 2005
Il controllo KR C2 (ED 05) è assemblato secondo le Vostre esigenze individuali, utilizzando componenti standard per pc e sistemi di azionamento che hanno dimostrato la sua validità nel campo dell'automazione. In questo modo si garantisce un'elevata affidabilità e la continuità di accesso ai benefici di una tecnologia all'avanguardia.
Ad esempio: è possibile integrare fino a due assi esterni nell'armadio base, in combinazione con un armadietto montato in alto, possono essere controllati fino a sei assi esterni . Il controller si distingue per la sua semplicità di manutenzione, buona accessibilità, struttura modulare e di facile manutenzione, che consente ai componenti di essere scambiati rapidamente e facilmente. Una vasta gamma di funzioni di diagnostica e risoluzione dei problemi, come ad esempio la manutenzione a distanza via Internet, insieme a numerose opzioni di espansione e una vasta concetto di sicurezza completano la gamma dei servizi offerti per la edition2005 KR C2, offrendo tutto il necessario per ottimizzare la produzione.
Caratteristiche e vantaggi
• Concetto di controllo uniforme per tutti i robot KUKA - dai bassi carichi utili fino alla categoria pesante - significa pianificazione e intercambiabilità affidabile.
• "Plug and play": questa funzionalità permette un rapido start-up.
• Tecnologia-Service provata e componenti standard per PC assicurano la massima disponibilità con una manutenzione minima.
• Il design modulare consente una vasta gamma di espansioni hardware e software su misura.
• interfacce efficienti e alta compatibilità grazie alla tecnologia basata su PC.
• controllori collegati in rete in grado di comunicare tra loro in tempo reale rendono possibile per un numero di robot sincronizzati per lavorare insieme su un unico pezzo.
Informazioni del Robot:
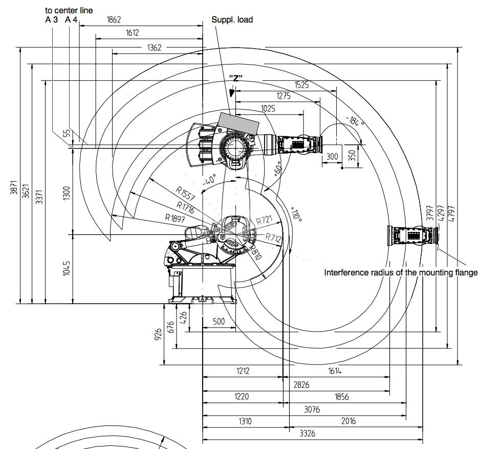
- Carico massimo del Robot: 360/280/240Kg.
- Massima Estensione: 2826/3076/3300 mm.
- Ripetibilità: 0,25 mm.
- Controllo: KR C2 Ed05
Velocità di movimento del Robot:
- Asse 1: 89º/sec
- Asse 2: 89º/sec
- Asse 3: 93º/sec
- Asse 4: 109º/sec
- Asse 5: 112º/sec
- Asse 6: 157º/sec
Applicazioni del Robot:
- Manipolazione
- Assemblaggio
- Palettizzazione
- Scarico pressa
Applicazioni
Asservimento presse , Pallettizzazione , Carico e scarico dei pezzi , Lavorazione meccanica , Manipolazione di pezzi
Immagini
Video
Diagrammi
English
Spain
Germany
France
Russia
China
Argentina
Portugal
Colombia
Italy
India
Brazil
Mexico
Turkey
Ukraine
Peru
Sth. Africa