0

KUKA KR15 robot di saldatura ad arco con saldatura Fronius TPS4000 MIG_MAG

Il robot a 6 assi Kuka KR15/2 su una guida lineare a 7 assi modello KL 250/2, con mozzo nominale da 3 a 5 metri di corsa. Equipaggiato con il controller KRC2 che aggiunge 7 assi servocontrollati per l’unità lineare. Questo accessorio rende il KR15 un’unità adatta all’asservimento e saldatura di parti grandi. Versione Software Kuka: 4.1.7 o 5.2.9 su WinXP

Informazioni del Robot:

  • Carico massimo del Robot: 15 Kg.
  • Massima Estensione: 1570 mm.
  • Ripetibilità: 0,1 mm.
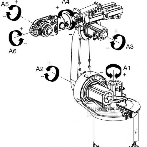
  • Controllo: KRC2
  • Assi: 7

Velocità di movimento del Robot:

  • Asse 1: 152º/sec
  • Asse 2: 152º/sec
  • Asse 3: 152º/sec
  • Asse 4: 284º/sec
  • Asse 5: 293º/sec
  • Asse 6: 604º/sec
  • Asse 7: 1300 mm/sec

Applicazioni del robot:

  • Lavorazione a macchina
  • Asservimento pressa
  • Levigatrice, smerigliatrice e messa a punto.
  • Rivestimento 
  • Manipolazione piccole parti
  • Misurazione 
  • Assemblaggio
  • Taglio
  • Saldatura

Applicazioni

Saldatura ad arco

Immagini

Video

Diagrammi